Zur DAF-Seite

Ersatzteilhandbuch DAF 66 Variomatic

Kapitel 3: 

Kupplung, primäre Variomatic

 

Übersicht: Kupplung, vordere Variomatic, Schaltgestänge, Unterdrucksteuerung

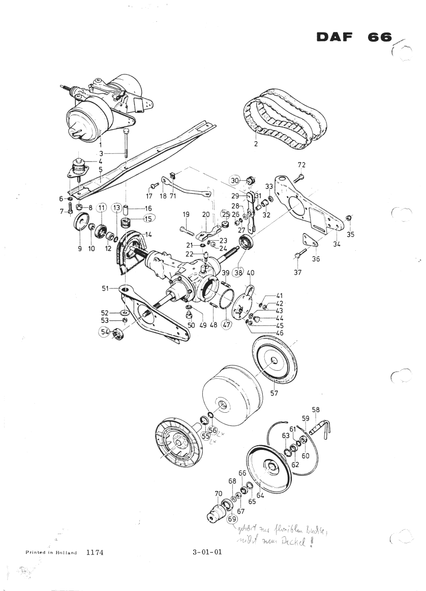
Explosionszeichnung
Primäre Variomatic

Teileliste 1-28
Teileliste 29-56
Teileliste 57-72

Vakuumventil
Teileliste

Schaltgestänge
Teileliste 1-26
Teileliste 27-32

Schaltgestänge
Teileliste 1-27
Teileliste 28-45

Kupplung, 
Antriebswelle ("Kardanwelle")

Teileliste 1-22
Teileliste 23-34

Kapitel 4:

Kraftstoffanlage, Auspuff

 

Übersicht: Auspuff, Gaspedal, Drosselklappenbetätigung, Choke Microschalter, Tank, Vergaser, Benzinpumpe, Luftfilter

Explosionszeichnung Auspuff 1100
Teileliste 1-23
Teileliste 24-28

Explosionszeichnung Auspuff 1300
Teileliste 1-28
Teileliste 29-37

Explosionszeichnung Gaspedal, Drosselklappenbetätigung, Choke,  Microschalter
Teileliste 1-21
Teileliste 22-32

Explosionszeichnung Tank, Benzinleitung
Teileliste 1-20

Explosionszeichnung Vergaser 1100
Teileliste 1-23
Teileliste 24-50
Teileliste 51-62

Explosionszeichnung Vergaser 1300
Teileliste 1-24
Teileliste 25-53
Teileliste 54-65

Explosionszeichnung Benzinpumpe
Teileliste 1-12

Explosionszeichnung Luftfilter
Teileliste 1-9

 

 

Kapitel 7: 

Achsen und Lenkung

 

Übersicht: Vorderachse, Radnaben, Lenksäule, Lenkgetriebe, Hinterachse

Explosionszeichnung Vorderachse
Teileliste 1-23
Teileliste 24-41
Teileliste 42-65

Explosionszeichnung Radnabe, Bremsscheibe (66 SL & M)
Teileliste

Explosionszeichnung Radnabe, Bremstrommel (66 luxe)
Teileliste

Explosionszeichnung Hinterachsnabe, Ersatzradträger, Felge
Teileliste

Explosionszeichnung Lenkrad, Lenksäule, Lenkgetriebe
Teileliste 1-22
Teileliste 23-40

Explosionszeichnung Lenkrad, Lenksäule (zusammenschiebbar), Lenkgetriebe
Teileliste 1-23
Teileliste 24-41

Explosionszeichnung Lenkgetriebe
Teileliste 1-21
Teileliste 22-30

Explosionszeichnung Hinterachse
Teileliste 1-23
Teileliste 24-27

 

Kapitel 8: 

Sekundäre Variomatic

 

Übersicht: hintere Variomatic, Antriebsachsen, Getriebeträger

Explosionszeichnung
Sekundäre Variomatic

Teileliste

Antriebsachsen  (homokinetisch)
Teileliste

Getriebeträger
Teileliste